PSR-MC62-2NO-1DO-24DC-SP-2700575 Safety Relay


Mã sản phẩm: PSR-MC62-2NO-1DO-24DC-SP-2700575

Nhà sản xuất: PHOENIX CONTACT

Mô tả:

PSR-MC62-2NO-1DO-24DC-SP-2700575  Rơ le an toàn cho thiết bị điều khiển bằng 2 tay theo EN 574 type IIIC, tới SILCL 3, Cat 4, PL e, giám sát kích hoạt đồng bộ < 0,5s, 2 kênh tác động, Us = 24V DC , gắn din , đi dây dạng lò xo chống rung lắc, dày 12,5 mm

Giá bán lẻ: Vui lòng liên hệ

Thông tin kỹ thuật:

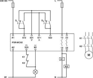
Block diagram

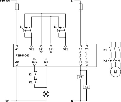
Circuit diagram


*** Đọc thêm về công nghệ Force-Guided Relay theo link