PSR-MS50-1NO-1DO-24DC-SC-2904956 Safety Relay


Mã sản phẩm: PSR-MS50-1NO-1DO-24DC-SC-2904956

Nhà sản xuất: PHOENIX CONTACT

Mô tả:

PSR-MS50-1NO-1DO-24DC-SC-2904956 Rơ le an toàn dùng cho dừng khẩn cấp và giám sát cửa an toàn theo SIL 3, Cat 4, PL e, 2 đầu vào,, 1 đầu ra, Us = 24V DC, đi dây dạng vặn vít , dày 6.8 mm

 

Giá bán lẻ: Vui lòng liên hệ

Thông tin kỹ thuật:

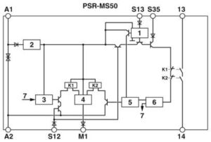
Block diagram

Block diagram Key: 1 = Input circuit 2 = Voltage limitation 3 = Control circuit channel 1 4 = Control circuit signal output 5 = Control circuit channel 2 6 = Start channel 1 and 2 7 = Channel 1 K1, K2 = Force-guided elementary relays

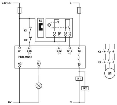
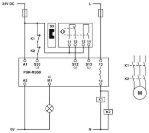
Circuit diagram


*** Đọc thêm về công nghệ Force-Guided Relay theo link