PSR-MS60-2NO-24DC-SC-2904958 Safety Relay
Thông tin kỹ thuật:
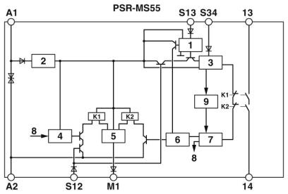
Block diagram
Block diagram Key: 1 = Input circuit 2 = Voltage limitation 3 = Start circuit 4 = Control circuit channel 1 5 = Control circuit signal output 6 = Control circuit channel 2 7 = Start channel 1 and 2 8 = Channel 1 9 = Diagnostics K1, K2 = Force-guided elementary relays
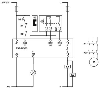
Circuit diagram
*** Đọc thêm về công nghệ Force-Guided Relay theo link


