PSR-SCP-120UC/ESAM4/3X1/1X2/B-2901422 Safety Relay
Thông tin kỹ thuật:
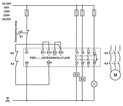
Application drawing Single-channel emergency stop monitoring
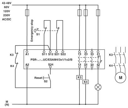
Application drawing Two-channel emergency stop monitoring
Circuit diagram
*** Đọc thêm về công nghệ Force-Guided Relay theo link


