PSR-SCP- 24UC/ESAM4/2X1/1X2-2900525 Safety Relay
Thông tin kỹ thuật:
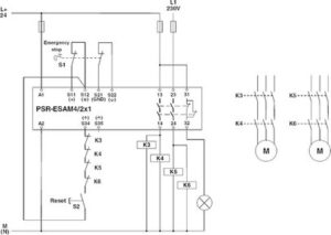
Circuit diagram
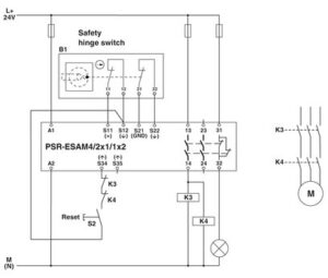
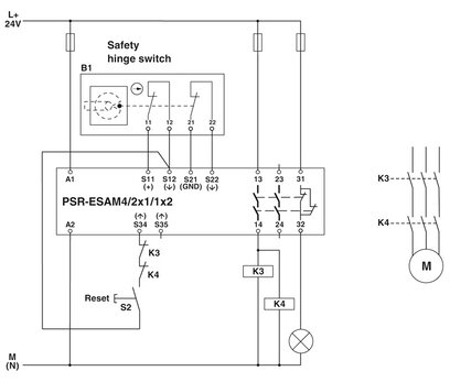
Circuit diagram Hinge switch
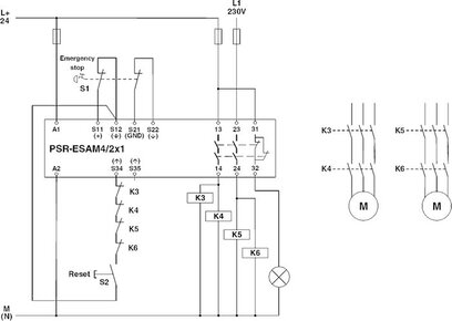
Circuit diagram Two-channel emergency stop
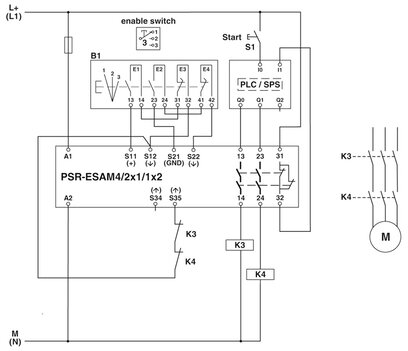
Circuit diagram 3-stage enable switch
*** Đọc thêm về công nghệ Force-Guided Relay theo link


