PSR-SCP-24UC/ESL4/3X1/1X2/B-2981059 Safety relay


Mã sản phẩm: PSR-SCP-24UC/ESL4/3X1/1X2/B-2981059

Nhà sản xuất: PHOENIX CONTACT

Mô tả:

PSR-SCP-24UC/ESL4/3X1/1X2/B-2981059 Rơle an toàn để dừng khẩn cấp và giám sát cửa hành lang an toàn, giám sát mạng lưới chiếu sáng ( safety door  ) đạt  SIL 3 hoặc Cat. 4, PL e (EN ISO 13849), 1 hoặc 2 kênh, 3 kênh tác động, điện áp đầu vào danh định 24 V AC/DC, đi dây dạng vặn vít

 

Giá bán lẻ: Vui lòng liên hệ

Thông tin kỹ thuật:

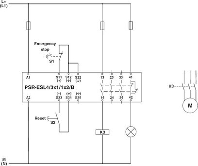
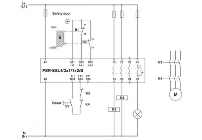
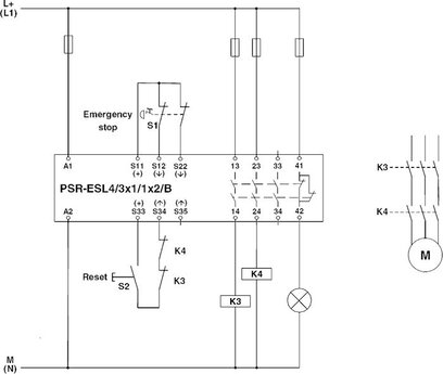
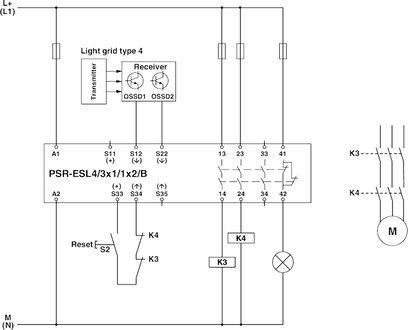
Circuit diagram

Circuit diagram Single-channel safety door monitoring

Circuit diagram Two-channel safety door monitoring

Circuit diagram Light grid monitoring

Circuit diagram Two-channel emergency stop monitoring


*** Đọc thêm về công nghệ Force-Guided Relay theo link