Mã sản phẩm: PSR-SCP-24UC/THC4/2X1/1X2-2963721
Nhà sản xuất: PHOENIX CONTACT
Mô tả:
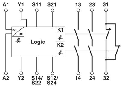
PSR-SCP-24UC/THC4/2X1/1X2-2963721 Rơle an toàn cho thiết bị điều khiển 2 tay theo ISO 13851 type IIIC SIL 3 hoặc CAT. 4, PL e (EN ISO 13849), kích hoạt đồng thời < 0,5s, 2 tiếp điểm N/O, 1 tiếp điểm N/C, cách ly an toàn, dầy 22,5mm, đi dây dạng vặn vít, gắn DIN
Giá bán lẻ: Vui lòng liên hệ
Circuit diagram
Circuit diagram
Two-hand control device


