PSR-SPP-230AC/ESAM2/3X1/1X2/B-2901431 Safety relay
Thông tin kỹ thuật:
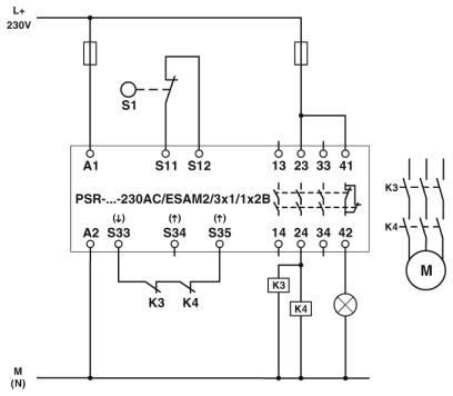
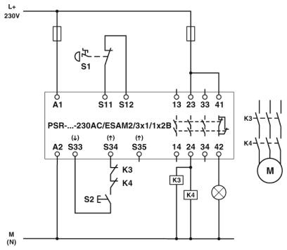
Circuit diagram
Circuit diagram Single-channel emergency stop monitoring
Circuit diagram Single-channel safety door monitoring
*** Đọc thêm về công nghệ Force-Guided Relay theo link


