PSR-SPP-24DC/ESD/5X1/1X2/300-2981431 Safety Relay
Thông tin kỹ thuật:
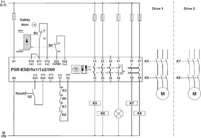
Circuit diagram
Circuit diagram Two-channel safety door monitoring
Đọc thêm về công nghệ Guided force theo LInk
Mã sản phẩm: PSR-SPP-24DC/ESD/5X1/1X2/300-2981431
Nhà sản xuất: PHOENIX CONTACT
Mô tả:
PSR-SPP-24DC/ESD/5X1/1X2/300-2981431 Rơle an toàn để dừng khẩn cấp và giám sát cửa hành lang an toàn ( safety door ) đạt SIL 3 hoặc Cat. 4, PL e (EN ISO 13849), có 2 kênh , 3 tiếp điểm NO , 1 tiếp điểm NC , 2 tiếp điểm NO dạng đóng trễ với thời gian đóng có thể cài đặt từ 0,2S tới 300s trên bề mặt rơle
Giá bán lẻ: Vui lòng liên hệ
Circuit diagram
Circuit diagram Two-channel safety door monitoring
Đọc thêm về công nghệ Guided force theo LInk

