Mã sản phẩm: QUINT4-CHARGER/1AC/24DC/10- 2907990
Nhà sản xuất: PHOENIX CONTACT
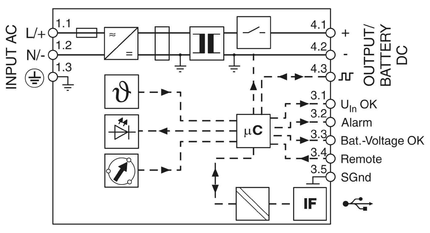
Mô tả:
QUINT4-CHARGER/1AC/24DC/10- 2907990 Bộ sạc pin(ác quy), gắn din đầu vào dải rộng AC/DC , đầu ra cho sạc 19.2 -28.6 VDC, hỗ trợ xạc loại acquy chì khô , cũng như pin Lithium , Lion với dung lượng tối đa tới 130AH .QUINT4-CHARGER/1AC/24DC/10 giúp việc giám sát quá trình sạc một cách dễ dàng thuận tiện thông qua các tiếp điểm trạng thái và đèn Led phía trước mặt thiết bị.
Giá bán lẻ: Vui lòng liên hệ



