QUINT4-PS/1AC/110DC/4 – 2904613 Nguồn ra 110 VDC
Thông tin kỹ thuật:
Application
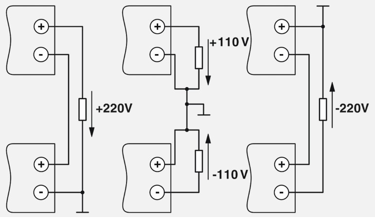
Sơ đồ chuyển AC sang 220DC với 2 nguồn QUINT4-PS/1AC/110DC/4 – 2904613
Dimensions
| Width | 70 mm |
|---|---|
| Height | 130 mm |
| Depth | 125 mm |
| Weight | 1,3kg |
Ambient conditions
| Degree of protection | IP20 |
|---|---|
| Inflammability class in acc. with UL 94 (housing / terminal blocks) | V0 |
| Ambient temperature (operation) | -25 °C ... 70 °C (> 60 °C Derating: 2.5 %/K) |
| Ambient temperature (start-up type tested) | -40 °C |
| Ambient temperature (storage/transport) | -40 °C ... 85 °C |
| Max. permissible relative humidity (operation) | ≤ 95 % (at 25 °C, non-condensing) |
| Climatic class | 3K3 (in acc. with EN 60721) |
| Degree of pollution | 2 |
| Installation height | ≤ 4000 m (> 2000 m, observe derating) |
Input data
| Nominal input voltage range | 100 V AC ... 240 V AC |
|---|---|
| 110 V DC ... 250 V DC | |
| Input voltage range | 100 V AC ... 240 V AC -10 % ... +10 % |
| 110 V DC ... 250 V DC -18 % ... +40 % | |
| Dielectric strength maximum | 300 V AC 60 s |
| AC frequency range | 50 Hz ... 60 Hz -10 % ... +10 % |
| Frequency range (fN) | 50 Hz ... 60 Hz -10 % ... +10 % |
| Current consumption | 6.3 A (100 V AC) |
| 5 A (120 V AC) | |
| 2.6 A (230 V AC) | |
| 2.5 A (240 V AC) |
Output data
| Nominal output voltage | 110 V DC |
|---|---|
| Setting range of the output voltage (USet) | 110 V DC ... 135 V DC (constant capacity) |
| Nominal output current (IN) | 4 A |
| Static Boost (IStat.Boost) | 5 A |
| Dynamic Boost (IDyn.Boost) | 6 A (5 s) |
| Selective Fuse Breaking (ISFB) | 24 A (15 ms) |
| Derating | > 60 °C ... 70 °C (2.5%/K) |
| Connection in parallel | Yes, for redundancy and increased capacity |
| Connection in series | yes |


